产品分类
新闻推荐
乐鱼(中国)

leyu乐鱼·官方web站登录入口

地  址:江苏省启东市和平南路199号
电  话:13306282819
客  服:0513-83117726
传  真:0513-83117726邮  箱:ntjr2010@126.com
网  址:www.alpinegrouplimo.com

产品中心PRODUCT CENTER
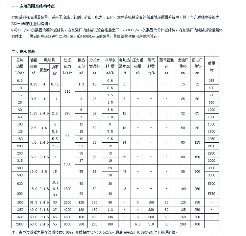
XYHZ型稀油润滑装置(0.5MPa)
2017-7-24 点击:1435

2.JPG3.JPG